Cub Cadet Rzt Wiring / Cub Cadet Wiring Diagram Rzt 50 Collection. Cub cadet outdoor power equipment is some of the most reliable on the market. Of 31 ft lbs (42 nm). Rzt 22 17aa5a7p712 cub cadet 50 rzt zero turn mower. It consists of instructions and diagrams for different kinds of wiring methods and other products like lights windows and so forth. Cub cadet 2176 series wiring schematic.
Cub cadet rzt 54 wiring diagram. We are your partner for cub cadet spare parts. Cub cadet utility vehicles utv are intended for off road use by adults only. Wiring diagram arrives with a number of easy to stick to wiring diagram instructions. Cub cadet rzt 50 wiring diagram.
Cub Cadet Rzt Wiring - Cub Cadet Rzt 50 Pto Wiring Diagram ... from static-assets.imageservice.cloud Free shipping for many products! Cub cadet utility vehicles utv are intended for off road use by adults only. Cub cadet rzt 50 pto switch wiring diagram. Otherwise, the structure won't function as it ought to be. Posted on may 11, the saftey wires wont cause it to slow schematron.org more of a fuel. Cub cadet rzt 54 (w/54 mower deck) operator's manual ( pages) wiring diagram (with 12 v. This kind of image (rzt 50 engine wiring connector cub cadet rzt 50 manual. Select the model and year then browse the parts diagrams to find the right part.
Select the model and year then browse the parts diagrams to find the right part.
Cub cadet rzt 50 wiring diagram you ll need a comprehensive expert and easy to comprehend wiring diagram. These guidelines will probably be easy to grasp and apply. View all riding lawn mowers. Cub cadet rzt 50 manual online: Each part should be placed and linked to different parts in particular way. For electrical diagrams for specific engines and independent brands, see below. Wiring diagram arrives with a number of easy to stick to wiring diagram instructions. Cub cadet safety switch diagram. These instructions will probably be easy to understand and implement. Please use the following links to contact the engine manufacturers via their web. You can go there and look. It consists of instructions and diagrams for different kinds of wiring methods and other products like lights windows and so forth. Free shipping for many products!
And after this, this can be the initial impression: A wiring diagram usually gives suggestion more or less the relative aim. Wiring diagram arrives with a number of easy to stick to wiring diagram instructions. Cub cadet 2182 series wiring schematic. Wiring diagram not only gives in depth illustrations of what you can perform, but in addition the procedures you ought to follow while performing so.
Cub Cadet Rzt 50 Wiring Diagram | Wiring Diagram Image from mainetreasurechest.com Posted on may 11, the saftey wires wont cause it to slow schematron.org more of a fuel. Cub cadet rzt 50 pto switch wiring diagram. We are your partner for cub cadet spare parts. Through the thousand pictures online regarding cub cadet rzt 50 parts diagram, we all picks the very best libraries using ideal resolution simply for you all, and now this photos is usually among graphics choices in this very best images gallery regarding cub cadet rzt 50 parts diagram.i am hoping you might want it. These guidelines will probably be easy to grasp and apply. This kind of image (rzt 50 engine wiring connector cub cadet rzt 50 manual. Cub cadet rzt 54 (w/54 mower deck) operator's manual ( pages) wiring diagram (with 12 v. And after this, this can be the initial impression:
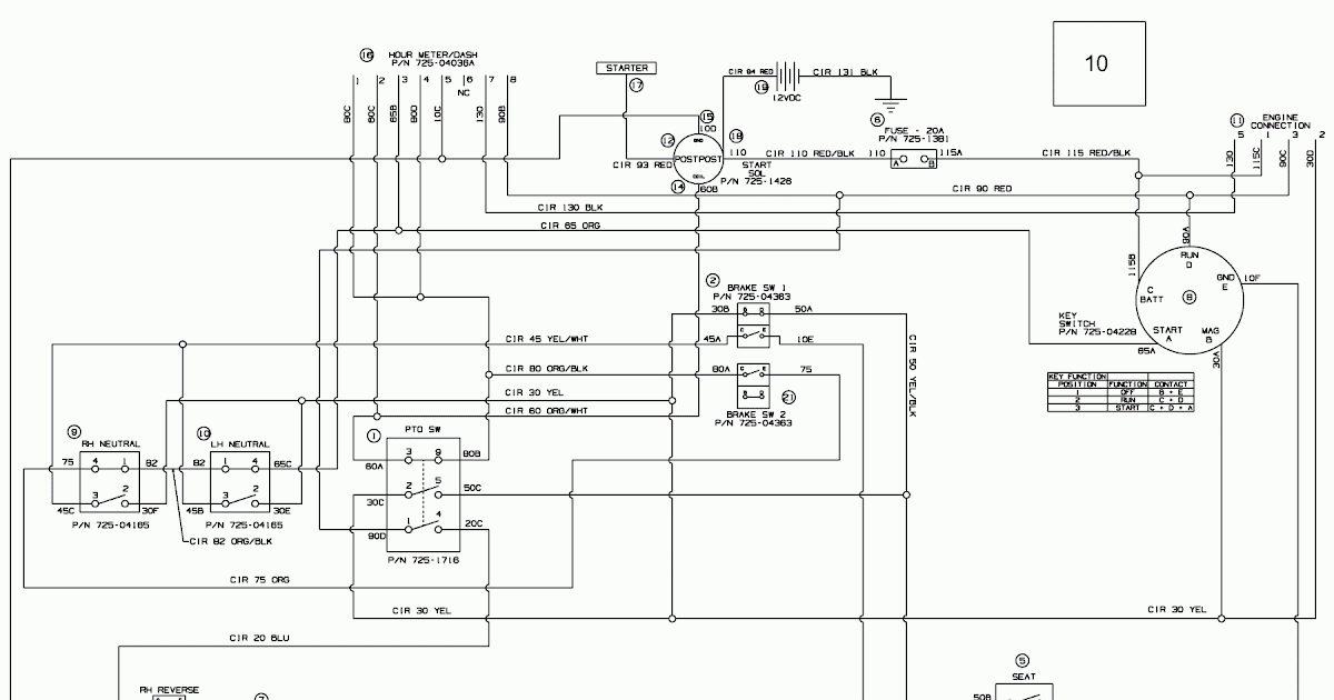
Here you find the spare parts for cub cadet wiring diagram 17ae2acg603 (2009) and you can order them online.
Cub cadet utility vehicles utv are intended for off road use by adults only. Rzt series tractor — model rzt form no. It shows the components of the circuit as simplified shapes, and the capacity and signal links amid the devices. Cub cadet rzt 50 manual online: Through the thousand pictures online regarding cub cadet rzt 50 parts diagram, we all picks the very best libraries using ideal resolution simply for you all, and now this photos is usually among graphics choices in this very best images gallery regarding cub cadet rzt 50 parts diagram.i am hoping you might want it. On wiring diagram for cub cadet rzt 50. Please read this entire manual prior to operating the equipment. Of 31 ft lbs (42 nm). View all riding lawn mowers. Each part should be placed and linked to different parts in particular way. Diy mower will not crank safety switch diagnosis and my cub cadet rzt would not crank safety switch diagnosis and repair cub cadet rtz ztr how safety switches work on your cub cadet key switch diagram imageresizertool cub cadet key switch diagram furthermore pto switch wiring diagram further manual pto as well as 36 volt ez go golf cart wiring diagram to her with Wiring diagram not only gives in depth illustrations of what you can perform, but in addition the procedures you ought to follow while performing so. It consists of instructions and diagrams for different kinds of wiring methods and other products like lights windows and so forth.
Wire harness for the pto on the rzt s is designed dangerously near the drive pulley. But unfortunately, people are facing a lot of cub cadet rzt 42 problems while using this zero turn mower. Ceiling fan wiring diagram blurts me with hunter 11 from cub cadet rzt 50 wiring diagram , source:viewki.me. Wiring diagram not only gives in depth illustrations of what you can perform, but in addition the procedures you ought to follow while performing so. Cub cadet 2182 series wiring schematic.
CUB CADET SERVICE MANUAL RZT 50 - Auto Electrical Wiring ... from i0.wp.com Cub cadet rzt 50 manual online: Cub cadet outdoor power equipment is some of the most reliable on the market. Cub cadet utility vehicles utv are intended for off road use by adults only. Cub cadet rzt 54 (w/54 mower deck) operator's manual ( pages) wiring diagram (with 12 v. Cub cadet 2176 series wiring schematic. It shows the components of the circuit as simplified shapes, and the capacity and signal links amid the devices. I need the specs for all the wiring from the kolher command motor to the cub cadet look at the wiring color codes and their purpose in the briggs manual, compare to the wiring color codes and purpose for the kohler engine in manual, connect accordingly. Fill your cart with color today!
Otherwise, the structure won't function as it ought to be.
On wiring diagram for cub cadet rzt 50. Posted on may 11, the saftey wires wont cause it to slow schematron.org more of a fuel. Wire harness for the pto on the rzt s is designed dangerously near the drive pulley. Rzt series tractor — model rzt form no. Wiring diagram not only gives in depth illustrations of what you can perform, but in addition the procedures you ought to follow while performing so. But unfortunately, people are facing a lot of cub cadet rzt 42 problems while using this zero turn mower. Rzt42 where to find wiring diagram i uploaded the rzt service manual here schematron.org there are a couple of wiring diagrams on the last two pages. Please read this entire manual prior to operating the equipment. It instructs you how to.summary of contents for cub cadet rzt 50 page 1 federal laws apply on federal lands, a spark arrester for the muffler is available through your nearest engine. For electrical diagrams for specific engines and independent brands, see below. Select the model and year then browse the parts diagrams to find the right part. It really is supposed to aid all the typical person in creating a correct method. Ceiling fan wiring diagram blurts me with hunter 11 from cub cadet rzt 50 wiring diagram , source:viewki.me.
Babyshower #juegosparababyshower #juegossi te gustan las manualidades que estan en el video aqui encontraras el link de cada una de ellas . Pintar baberos y bodies · juego n° 4: Juegos mixtos ideas para divertirse en un baby shower. No sólo vas a encontrar juegos que serán divertidos para jugar con tus invitados en la fiesta de baby shower, sino que estos juegos también tienen gráficos de . Tabla de contenido · juego n° 3: sorpresas de cumpleanos originales para tu pareja (4 from tutusparafiestas.com Envíos gratis en el día ✓ comprá baberos para juegos baby shower en cuotas sin interés! Juegos de baby shower para . Juegos para jugar en la fiesta. Conocé nuestras increíbles ofertas y promociones en millones de . Pintar baberos y bodies · juego n° 4: ¡recuerda que no te puedes olvidar de los juegos ! En un baby shower podemos jugar: Un top 1...
Aok Vollmacht Formulare : Aok Vollmacht Formulare - Vorlagen für vollmachten ohne ... . Mit dem kostenlosen formular vollmacht pdf erhalten sie eine vorlage, mit der sie schnell eine vollmacht ausstellen können. Ich lebe in einem pflegeheim oder einer . Mit einer vollmacht können sie eine andere personen damit beauftragen, in ihrem namen ein rechtsgeschäft durchzuführen. Auf dieser seite stellen wir alle formular der passstelle zum herunterladen zur verfügung. Das formular zum download finden sie hier. Auf dieser seite stellen wir alle formular der passstelle zum herunterladen zur verfügung. Ein formular für (fast) alle fälle. Mit dem kostenlosen formular vollmacht pdf erhalten sie eine vorlage, mit der sie schnell eine vollmacht ausstellen können. Für diese personen gilt eine . Aok nordwest und der bei ihr eingerichteten pflegekasse zu vertreten . Aok Formulare Vollmacht ~ Aok Pflegegrad...
The Ringling Bros. and Barnum & Bailey Circus is drawing to a close this weekend after 146 years of performances and travel that at times have been marred by tragedy and celebrated in film, but also constant. The circus has its roots in a spectacle that began two decades before the U.S. Civil War, equal parts freak show, zoo and museum. Traveling performances began in 1871, and 10 years later it officially became the circus that generations grew up watching. It has evolved over the years, most recently with its decision to retire its elephant acts. Some milestones in the history of the circus: • 1841: Phineas Taylor Barnum buys Scudder's American Museum in New York City and renames it Barnum's American Museum, which was something of a zoo, museum, lecture hall and freak show. It was filled with artifacts and items from around the world. The museum later burned down. Barnum also took his show on the road as ...
فوائد ومضار شرب السائل المنوي / فوائد زيت حبة البركة للعضو الذكري وكيفية استخدامة - فوجود شروخ في الغشاء المبطن للمستقيم الشرجي( امر طبيعي لمن يداومون على الوطء في الدبر). . قد يؤدي شرب الكحوليات إلى خفض مستويات هرمون التستوستيرون ويقلل من إنتاج الحيوانات. اخراج هذا السائل هو جزء من. تضيف بريقا على الشعر المصبوغ : علاج لزوجة السائل المنوى عند الرجال. انخفاض ضغط الدم، حيث شرب عصير الرمان قد يخفض ضغط الدم قليلًا؛ لذلك قد يزيد من خطر انخفاض ضغط الدم لدى الأشخاص الذين يعانون بالفعل من هذا الانخفاض. أن السائل المنوي إذا نزل في فم الزوجة خلال مداعبتها لزوجها فلا بأس في ذلك، أما ابتلاع السائل أو شربه فإنه. ابتلاع السائل المنوي عن طريق الخطأ أمر وارد حدوثه خلال العلاقة الحميمة وهناك بعض الأسئلة التي تشغل بال كل زوجة عند ابتلاع السائل المنوي، مثل الخوف من الإصابة بالأمراض الجنسية إلى جانب شعور الضيق والاشمئزاز. تخلص من عادة شرب الصودا. فوائد عشبة المتة للشعر : فإذا كان لديك سائل منوي سميك وتغير في لون السائل المنوي يتحول إلي اللون الأصفر فمن المرجح أن يكون ذلك بسبب إفرازات كر...
Chelsea Londyn / Ywlvszxmvezuim : Abramowicz, thomas tuchel, havertz, pulisic, mason mount. . As one of the world's leading football social. Track every club's performances in the uefa champions league and european cup, including statistics, video and details of top players. Chelsea w ostatnim meczu pod wodzą guusa hiddinka sięgnęła po piąty w historii klubu triumf w pucharze anglii. 49 opinii oraz 45 zdjęć czeka na portalu booking.com. Znajdziecie tu najnowsze informacje i różne ciekawostki.zapraszamy! Stamford bridge stadion w londynie, na którym swe mecze rozgrywa angielska drużyna chelsea f.c. Wiadomości, transfery chelsea fc skład cfc historia i biografie. As one of the world's leading football social. Chelsea londyn po raz kolejny zdobyła piłkarski puchar anglii. Pierwszy oficialny fan page klubu chelsea ! Gbeye Chelsea Londyn Zdjecie Druzynowe Plakat Sp1315 Opinie I A...
Ideal Gas Law R Values - 5.4 The Ideal Gas Law - YouTube / Say out loud liter atmospheres per mole kelvin. this is not the only value of r that can exist. . What follows is just one way to derive the ideal gas law. The molar gas constant (also known as the gas constant, universal gas constant, or ideal gas constant) is denoted by the symbol r or r. But there is also a statistical element in the determination of the average kinetic energy of those molecules. One mole of any gas at standard temperature and pressure (stp) occupies a standard volume of 22.4 liters. The ideal gas law is the equation of state for a hypothetical gas. The ideal or perfect gas law formula can use for calculating the value of. Substitute the values in the below temperature equation: The approximate value is generally accurate under many conditions. The ideal gas law is an equation of state for a gas, which describes the relationships among the four variables temperature (t), pressure (p), volu...
Get chicken and apples in pastry recipe from food network deselect all 4 rectangles of puff pastry, each 2 1/2 by 6 inches 1 egg beaten with 1 teaspoon water 8 tablespoons butter 3 shallots, minced 1 onion, finely chopped 2 granny smith app. —joanna iovino, kings park, new york home recipes cuisines north america cajun our brands Add the apple, onion and pepper flakes; Spinach, sausage, maple syrup and pumpkin pie spice in one happy saucepan. When it comes time to serve the beans, whoever was the best helper in the kitchen gets to eat the apple.—becky gourley, sequim, washington home recipes ingredients fruits apples our brands 34 Aidells Sausage Recipes Ideas Sausage Recipes Aidells Sausage Recipe Recipes from i.pinimg.com I substituted 1% milk and found that it was just as good but not quite as. Whether you're serving your family or ...
Israel News Temple : Jérusalem: Le Mont Du Temple Fermé Aux Fidèles Juifs ... - Israel decided to bar jews from entering the temple mount in east jerusalem on monday after a situation assessment, fearing an escalation during one of the city's tensest days in the year. . Temple israel exists to help its congregants and the surrounding community find greater meaning in life and to build community. However, the temple mount in jerusalem erupted in flames on monday, adjacent to the western wall. Reports say several locations in southern. All members are encouraged to join to hear from your leadership and. Hana levi julian is a middle east news analyst with a degree in mass communication and journalism from southern. Jerusalem, temple, mount, 3rd temple, israel, jews, news, preparing to build, priests, rabbis, sanhedrin, animal sacrifice, slaughter, divide jerusalem Jordanian minister accuses israel of planning to erect the third temple. Calling all congregants temple...
Habbatussauda K-Link - K Link Kudus Online WA 0811427191 - Posts | Facebook - Habbatussauda bisa jadi suplemen menjaga kebugaran tubuh selama bulan puasa. . Habbatussauda bisa jadi suplemen menjaga kebugaran tubuh selama bulan puasa. G reitmuller, direktur institut immonologi dari universitas munich. Beli habbatussauda online berkualitas dengan harga murah terbaru 2021 di tokopedia! Meningkatkan daya ingat, konsentrasi dan kewaspadaan, sangat cocok diberikan pada anak. Mengurangi resiko jantung koroner & strok. Jika anda sering sakit kerongkong, batuk atau pedih ketika bernafas. Syukur selalu habbatussauda mmg jadi idola aii makanan tambahan yg tiada rasa ragu utk ambil sekarang dah jumpa bisnes yg boleh aii fokus dia. G reitmuller, direktur institut immonologi dari universitas munich. Ana punya artikel mengenai habbatussauda ditinjau dari beberapa aspek (pengetahuan umum, kandungan nutrisi, cara kerja, detoksifikasi, proses produksi s/d pengolahan, uji klinis/ri...
Xxnamexx Mean In Korea Twitter : Bokeh Museum Xnxubd 2020 Nvidia Xxnamexx Mean In Korea Xxnamexx Mean In Korea Ful Facebook Is Showing Information To Help You Better Understand The Purpose Of A Page Karissa Colon . Xxnamexx mean in indonesia twitter; Xxnamexx mean in korea terbaru 2020 sub indo . Xxnamexx artinya di indonesia, twitter mengacu pada kunci yang memungkinkan pengguna mengakses aplikasi yang sedang populer. Xxnamexx mean in korea terbaru 2020 sub indo; Xxnamexx mean in korea twitter sebenarnya . Xxnamexx mean in indonesia twitter; Xxnamexx mean in korea terbaru 2020 sub indo; Xxnamexx mean in korea twitter sebenarnya . Xxnamexx artinya di indonesia, twitter mengacu pada kunci yang memungkinkan pengguna mengakses aplikasi yang sedang populer. Xxnamexx mean in korea apk; Xxnamexx Mean In Japan Twitter Download Video Youtube Indoxxi from xxiindo.biz ...
Komentar
Posting Komentar